Trang nhất
Thiết bị công nghiệp, tự động hóa
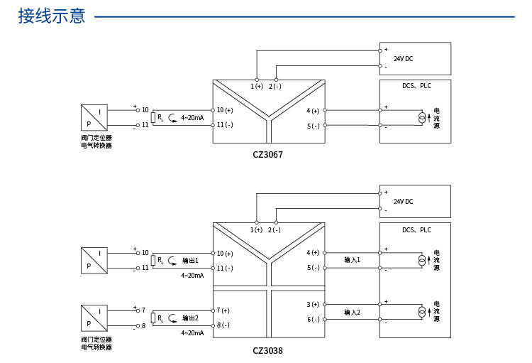
Bộ chuyển đổi, cách ly tín hiệu Shanghai Chenzhu Instrument CZ3067 signal isolator analog output one-in-one-out distribution conversion module
Đăng ngày 24-08-2023 04:01:24 PM - 408 Lượt xem
Mã sản phẩm: S004606
Bộ chuyển đổi, cách ly tín hiệu Shanghai Chenzhu Instrument CZ3067 signal isolator analog output one-in-one-out distribution conversion module
- Brand: Chenzhu
- Model: Analog output CZ3067 CZ3038
- Color classification: Subject to customer service quotation, do not place an order directly 4~20mA input 0~20mA input
- Item No.: Analog output CZ3067 CZ3038
- Decoration and construction content: explosion-proof safety





